Выносной индикатор наличия высокого напряжения GH0607, мигающий на 10м кабеле (для установок 60-94кВ).
Аппарат испытания диэлектриков СКАТ-М100В представляет собой современное и высокотехнологичное устройство, предназначенное для проведения точных и надежных испытаний диэлектрических материалов. Этот прибор включен в Госреестр под номером 74644-19, что подтверждает его соответствие всем необходимым стандартам и требованиям. Одной из ключевых особенностей СКАТ-М100В является его способность работать в широком диапазоне выходного напряжения, которое варьируется от 10,0 до 100,0 кВ. Это позволяет проводить испытания на различных уровнях напряжения, что делает устройство универсальным для применения в различных отраслях промышленности.
Аппарат испытания диэлектриков Скат-70М представляет собой высокотехнологичное устройство, предназначенное для проведения испытаний изоляционных материалов и электрических аппаратов на прочность к электрическим напряжениям. Этот аппарат обладает широким диапазоном выходных напряжений, что делает его универсальным инструментом для различных испытаний. Для напряжения постоянного тока диапазон составляет от 3 до 70 кВ, а для переменного — от 2 до 50 кВ, что позволяет проводить тесты на различных уровнях, соответствующих требованиям современных стандартов.
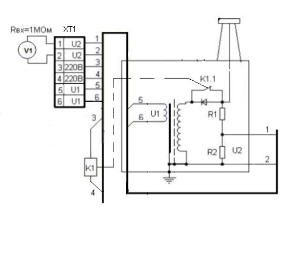
Основной особенностью ТВИ-100 является возможность плавного регулирования напряжения на первичной обмотке в широком диапазоне — от 0,10 до 240 В, что позволяет точно адаптировать параметры испытания под конкретные задачи. При этом номинальное напряжение первичной обмотки составляет 200 В с точностью ±1 %, что гарантирует стабильную работу трансформатора в штатном режиме. На вторичной обмотке при подаче номинального напряжения на входе формируется высокое напряжение до 100 кВ, что делает устройство особенно ценным при тестировании высоковольтного оборудования. Максимальное напряжение переменного тока может достигать 110 кВ, а максимальный выходной ток — до 35 мА.
Одной из ключевых особенностей СКАТ-70Ц является его способность генерировать выходное напряжение постоянного тока в диапазоне от 3 до 70 кВ, что позволяет проводить испытания на пробой и проверку диэлектрической прочности материалов. При этом выходной ток может варьироваться от 0,1 до 20 мА, обеспечивая точность измерений и безопасность оператора. Для испытаний переменным током устройство предлагает диапазон выходного напряжения от 2 до 50 кВ с возможностью регулировки тока от 0,1 до 50 мА. Это делает аппарат универсальным инструментом для работы с различными типами изоляционных материалов и оборудования.
Одной из ключевых особенностей СКАТ-70Ц-С является его способность генерировать выходное напряжение постоянного тока в диапазоне от 3 до 70 кВ, что позволяет проводить испытания на пробой и проверку диэлектрической прочности материалов. При этом выходной ток может варьироваться от 0,1 до 20 мА, обеспечивая точность измерений и безопасность оператора. Для испытаний переменным током устройство предлагает диапазон выходного напряжения от 2 до 50 кВ с возможностью регулировки тока от 0,1 до 50 мА. Это делает аппарат универсальным инструментом для работы с различными типами изоляционных материалов и оборудования.
Одной из ключевых особенностей СКАТ-70Ц-К является его способность генерировать выходное напряжение постоянного тока в диапазоне от 3 до 70 кВ, что позволяет проводить испытания на пробой и проверку диэлектрической прочности материалов. При этом выходной ток может варьироваться от 0,1 до 20 мА, обеспечивая точность измерений и безопасность оператора. Для испытаний переменным током устройство предлагает диапазон выходного напряжения от 2 до 50 кВ с возможностью регулировки тока от 0,1 до 50 мА. Это делает аппарат универсальным инструментом для работы с различными типами изоляционных материалов и оборудования.

